
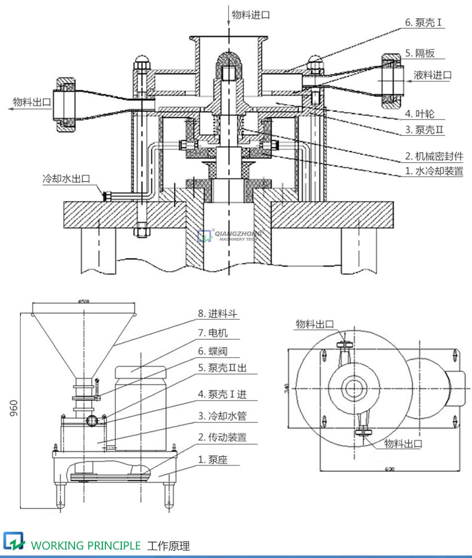
料液混合泵主要由进料斗、蝶阀、泵壳Ⅰ、Ⅱ、叶轮、主轴、机械密封、水冷却套、泵座、皮带传动装置、电动机等组成。设备中所有与物料接触的部分,均由优质、耐蚀不锈钢材制成,符合食品卫生要求。该设备工作时,由电动机通过皮带来带动主轴和叶轮,叶轮在泵壳Ⅱ内高速旋转,达到混合料液的目的。叶轮等由Ocr19N19制成,便于拆洗,防止细菌聚集。机械密封由静环、动密封圈、不锈钢弹簧,压紧密封圈等组成。还有外密封,可防液体泄漏。主轴与电机通过三角皮带传动,配备有水冷却套装置和张紧装置。这种料液混合泵的电机和接线部分,能有效避免积水受潮,符合用电安全。电机与泵座是由螺栓连接,整机可作任意移动,无需固定的安装基础。

水粉混合泵又称水粉混合器,水粉混合机,液料混合机,液料混料泵、混合机等,其外观独特,体积轻巧,具有环保整洁,节能高效、混合迅速、输送方便等优点。该设备是通过高速旋转的叶轮将粉状物料和液体进行充分拌和,使之成为所需的混合物,并将其输送出去,其可吸取最高温度达80度的物料。它能使液料快速混合,可用于果汁和其他饮料的生产,获得理想的效益。

使用前应检查各密封件是否装配正确,各联接口是否结合紧密,检查叶轮的旋转方向是否为顺时针。在使用前应将与液体接触的部件进行蒸汽消毒,确保符合食品卫生安全要求。
泵壳Ⅰ上的螺纹接头(Rd65×1/6)为进液口,混合以后的混合液由下方泵壳Ⅱ的螺纹接头(Rd65×1/6)输出。泵壳Ⅱ下部的两处橡胶皮管接头,是冷却水的进水管,专门用于冷却机械密封和主轴。为避免因泵的安装位置高于吸入液位,需进行灌泵,所以泵的安装位置最好低于液面,便于控制流量。不要让本泵长期在超负荷情况下工作,以免损坏电机。
该泵拆卸较为方便,松开4只M10盖螺母后,便可打开泵壳Ⅰ的隔板。取下主轴上的锁紧螺母(左旋,顺时针方向旋松)拿出叶轮,便能看到露出的机械密封件。在泵运转和停机时,应注意各密封面是否渗漏。若渗漏较严重,应立即停止使用并检查轴上各密封件是否受损,安装位置是否正确。并根据密封件的磨损程度,适当进行更换。
泵使用完毕,应及时清洗,以防料液积垢。清洗时先用热水通过,然后拆卸泵体,用毛刷洗干净各部件,再按顺序装上所有零件。注意在使用与清洗时,电动机不锈钢外罩不能拆除,以防受潮,损坏电机。

料液/水粉混合机
PRODUCT CENTER 


华体会手机网页版登录入口